Тройник PLS-LOCK-H25-T90 (с экраном MAT-L) (Arlight, Металл) 026243 в Петрозаводске
Описание
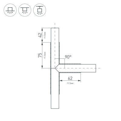
Угол в сборе для соединения трех профилей PLS-LOCK-H25 под углом 90° в одной плоскости в комплекте с матовым экраном и соединителями. Экран образует Т-образную фигуру на плоскости. Применяется при изготовлении светильников сложной геометрии. Цена за комплект.
Тройник в сборе, для соединения 3-х профилей PLS-LOCK-H25 под углом 90°. Ответвление под углом 90°. В комплекте матовый экран (арт.019189), соединители.
026243 Arlight Крепёж в Петрозаводске
Вы можете заказать Крепёж Arlight с доставкой или самовывозом в Петрозаводске
просто достаточно позвонить менеджеру и сообщить артикул товара: 026243 или оформить заказ на сайте Arlight Shop Петрозаводск
Характеристики
|
Объем м3
|
0.000499 |
|
Гарантия м.
|
24 |
|
Материал корпуса
|
Алюминий |
|
Тип товара
|
Крепёж |
|
Гарантийный срок
|
2 год(а) |
|
Модельный ряд
|
PLS-LOCK |
|
Длина
|
234 мм |
|
Ширина
|
128 мм |
|
Высота
|
25 мм |
|
Кратность цены за 1 м/шт
|
1 |
|
Приоритет использования
|
Дополнительный |
С данным товаром обычно покупают
Новости
Все новости
28 октября 2024
Изменения в графике работы в День народного единства 2024
3 июня 2024
График работы в День России



