Профиль ARH-СEIL-S14-SHADOW-2000 BLACK (Arlight, Алюминий) 047183 в Петрозаводске
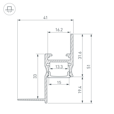
Встраиваемый алюминиевый профиль чёрного цвета со скрытым фланцем устанавливается в потолки и потолочные ниши из гипсокартона, образуя теневой зазор между потолком и стеной. Такое решение создает визуальный эффект потолка, парящего в воздухе с мягким свечением по периметру комнаты. Габаритные размеры профиля составляют 2000 мм в длину, 41 мм в ширину и 51 мм в высоту. Площадка для установки светодиодных лент позволяет использовать ленту шириной до 13,3 мм и мощностью до 47,7 Вт/м. Это обеспечивает гибкость в выборе светодиодных лент и создает потрясающие световые решения. Экраны, заглушки и другие аксессуары не включены в комплект и приобретаются отдельно. Цена указана за 1 метр профиля. Отличное решение для создания современных световых проектов.
Алюминиевый встраиваемый профиль для светодиодных лент и линеек. Цвет - черный RAL9005 (порошковая окраска). Габаритные размеры (L×W×H): 2000х41х51 мм. Ширина площадки для ленты 13,3 мм. Экраны, заглушки и другие аксессуары приобретаются отдельно. Цена за 1 метр.
047183 Arlight Профиль Встраиваемый со скрытым фланцем С фланцем Чёрный в Петрозаводске
Вы можете заказать Профиль Arlight с доставкой или самовывозом в Петрозаводске
просто достаточно позвонить менеджеру и сообщить артикул товара: 047183 или оформить заказ на сайте Arlight Shop Петрозаводск
Характеристики
|
Объем м3
|
0.004182 |
|
Гарантия м.
|
36 |
|
Материал корпуса
|
Алюминий |
|
Способ монтажа
|
Встраиваемый со скрытым фланцем |
|
Назначение
|
Для ГКЛ |
|
Форма (сечение)
|
С фланцем |
|
Цвет покрытия
|
Чёрный |
|
Тип товара
|
Профиль |
|
Гарантийный срок
|
3 год(а) |
|
Модельный ряд
|
SHADOW |
|
КПД профиля (cветовой)
|
54 % |
|
Рассеиваемая тепловая мощность на 1м
|
max: 47.7 W |
|
Ширина световой линии
|
15 мм |
|
Внешний вид поверхности
|
Матовая |
|
Покрытие поверхности
|
Порошковая окраска |
|
Длина
|
2000 мм |
|
Ширина
|
41 мм |
|
Высота
|
51 мм |
|
Ширина площадки
|
13.3 мм |
|
Глубина установки источника света
|
12 мм |
|
Кратность цены за 1 м/шт
|
1 |
|
Мощность (прайс)
|
47.7 Вт |





